LillyAllenDesigns
Jasminsmagicworld
BarkalooDesign
Artiststas
AdoDesignShop
JahusDesignShop
BundleAndBundleShop
HRA Design Shop
FaDigitalArtStudio
Enoddigitalart@gmail.com
Afrowomandigitalshop@gmail.com
OliviaCreatesArt
CowGirlArtShop
HowdyJamesFarm
TumblerDesignByShophia
RanaPortraitStore
CTS Tumbler Store
Zillion Design Studio
NancyCooperArtShop
Texasbilliewilder
MaliasSmallBusiness
Muks_Shop
Rvexell
NReaL
Oittostudio
Nteklah
Melllux
PUBLICTEES
Gear_desain
Erdiyan
C
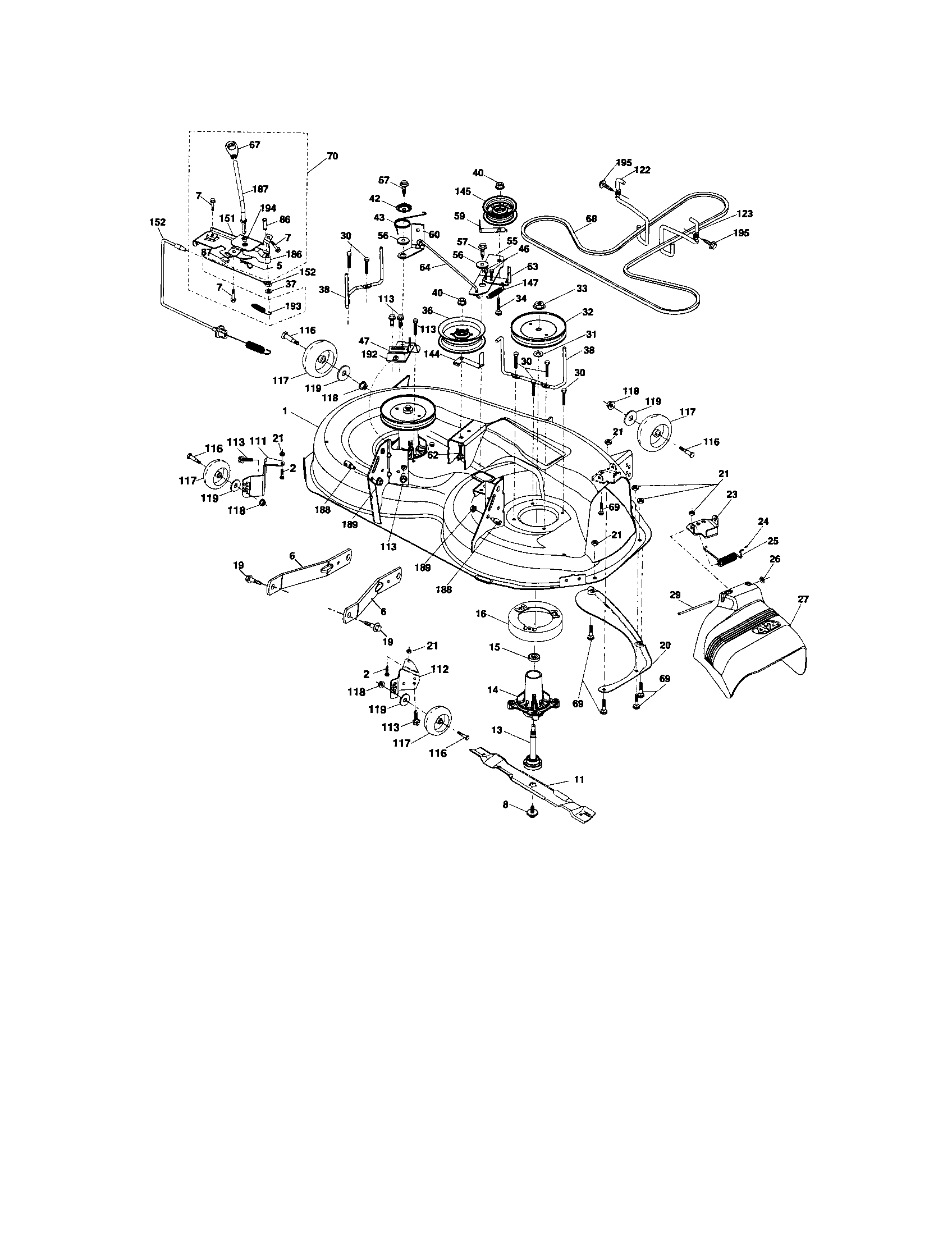
craftsman dys4500 riding mower Lawn Mowers Westerly Rhode Island Facebook Marketplace Facebook Very well made.
How to Craftsman DYS4500 Part 2 Remove Deck Rebuild Replace Idler Pulleys Very well made.
Sears Craftsman DGS6500 DYS4500 G5000 48 Lawn Tractor Mower Blades Set of 3 eBay Very well made.
DYS 4500 Parts Search Shopping Very well made.
515KB 2001 null null null null 6 2003 null Iusp6F obEo54M Very well made.